
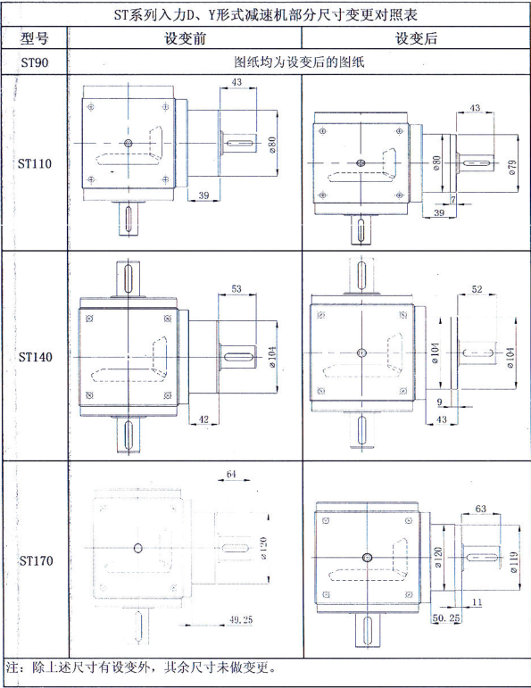
1.ST系列变更内容如下:
ST90、ST110、ST140、ST170入力形式D、Y的2D、3D图纸将全部设变,具体变更内容请查阅(ST系列入力D、Y形式减速机部分尺寸变更对照表)。

2.SN系列变更内容如下:
SN系列全系列减速机2D、3D图纸将全部设变;设变位置为出力端螺丝孔数量由4个增加至8个,不会影响客户安装使用,具体设变内容请查阅(SN系列尺寸变更对照表)。

如贵司遇到此类图纸时,麻烦确认是否为新图纸。若为旧图,则向我司相关负责窗口索取新图纸。
本文由苏州翰群编辑发布www.szliming.com转载请注明出处(利明ST系列/SN系列减速机)


客服1